Outline
| NMB Parts No. | DDT-830DSG |
|---|---|
| Metric or Inch | Metric |
| ISO/JIS | - |
| Material of Rings | Stainless Steel |
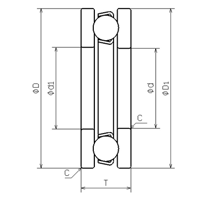
| Ring Type | [Thrust] with groove |
| Inner Diameter(d) [mm] |
3.000 |
| Inner Diameter(d)Tolerance [mm] |
0/-0.008 |
| Inner Diameter(d1) [mm] |
3.100 |
| Inner Diameter(d1)Tolerance [mm] |
0.050/-0.050 |
| Outer Diameter(D) [mm] |
8.000 |
| Outer Diameter(D)Tolerance [mm] |
0/-0.011 |
| Outer Diameter(D1) [mm] |
8.000 |
| Outer Diameter(D1)Tolerance [mm] |
0/-0.050 |
| Height(T) [mm] |
3.500 |
| Height(T)Tolerance [mm] |
0/-0.075 |
| Chamfer(C) [mm] |
0.2 |
| Ball Size(DW) [mm] |
2.0000 |
| Ball Complement(Z) | 7 |
| Dynamic Load Rating(Ca) [N] |
1788 |
| Static Load Rating(Coa) [N] |
1725 |
| Inner Diameter(d) [in] |
0.1181 |
| Outer Diameter(D) [in] |
0.3150 |
Download
Technical Data
CAD Data
Our CAD data is downloadable through the "PARTcommunity" service provided by CADENAS WEB2CAD Inc..
In order to use this service, registration to "PARTcommunity" is required, but is Available free of charge.
Please click "CAD data [PARTcommunity]" to download 2D/ 3D CAD data for our products.
