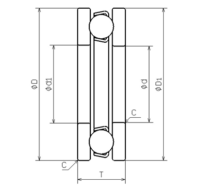
玉軸受の中でアキシアル荷重のみを受ける形式です。軌道盤に転走溝があるものと無いものがあります。

  • NMB Parts No. DDT-830DSG
    単位系:メトリック/インチ メトリック
    ISO/JIS -
    材質 (リング) ステンレス鋼
    形状 [スラスト]溝付き
    内径(d)
    [mm]
    3.000
    内径(d)公差
    [mm]
    0/-0.008
    内径(d1)
    [mm]
    3.100
    内径(d1)公差
    [mm]
    0.050/-0.050
    外径(D)
    [mm]
    8.000
    外径(D)公差
    [mm]
    0/-0.011
    外径(D1)
    [mm]
    8.000
    外径(D1)公差
    [mm]
    0/-0.050
    高さ(T)
    [mm]
    3.500
    高さ(T)公差
    [mm]
    0/-0.075
    面取り(C)
    [mm]
    0.2
    ボール寸法(Dw)
    [mm]
    2.0000
    ボール個数(Z) 7
    基本動定格荷重(Ca)
    [N]
    1788
    基本静定格荷重(Coa)
    [N]
    1725
    内径(d)
    [in]
    0.1181
    外径(D)
    [in]
    0.3150

  • 当社製品のCADデータは、 キャデナス・ウェブ・ツー・キャド株式会社 が運営する「PARTcommunity」CADデータダウンロードサービスにて提供しています。
    2次元/3次元のCADデータを無料でダウンロード出来ますので、どうぞご活用ください。
    なお、当該サービスのご利用には「PARTcommunity」でのユーザー登録が必要となります

注目製品

ミネベアミツミのベアリングが選ばれる理由

世界シェアNo.1の実績を持つ超精密加工技術で幅広いニーズに対応します

サポート・お問い合わせ

各種製品に関するお問い合わせや技術的なご質問、各種資料のお取り寄せなど、各製品担当者がお答えいたします。